032-821-2357
Á¦Ç°°Ë»ö
ȸ»ç¼Ò°³
Àλ縻
±â¼úÀÎÁõ
¿À½Ã´Â±æ
Á¦Ç°¼Ò°³
ºÎ½ºÅÍÆßÇÁ
ȾÇü´Ù´ÜÆßÇÁ
ÀÔÇü´Ù´ÜÆßÇÁ
¼öÁß¿À¹è¼öÆßÇÁ
ÇØ¼ö¿ëÆßÇÁ
¹«¼ÒÀ½ÆßÇÁ
¾Ð·ÂÆØÃ¢ÅÊÅ©
°í¿Â°í¾Ð¹ëºê
ÀιöÅÍ
ÆßÇÁ¾Ç¼¼»ç¸®
±â¼úÀÚ·á
¼º´É°î¼± ¼³¸í
±Þ¼öºÎÇϰè»ê¹ý
À¯·®°è»ê¹æ¹ý
¾Ð·ÂÅÊÅ©ÀÇ ¼±Á¤
¼³Ä¡ÁÖÀÇ»çÇ×
¾×ü¿¡ µû¸¥ ¼±Á¤
Ç¥ÁظðÅÍ»ç¾ç
°í°´Áö¿ø
Ä«´Þ·Î±×
CADµµ¸é
ÀÎÁõ¼
½ÂÀÎÀÚ·á
¼îÇθô
¼îÇθô
ºí·Î±×
Á¦Ç°¼Ò°³
Á¦Ç°¼Ò°³ > ÀÔÇü´Ù´ÜÆßÇÁ > CVF
Á¦Ç°¼Ò°³
ºÎ½ºÅÍÆßÇÁ
ȾÇü´Ù´ÜÆßÇÁ
ÀÔÇü´Ù´ÜÆßÇÁ
¼öÁß¿À¹è¼öÆßÇÁ
ÇØ¼ö¿ëÆßÇÁ
¹«¼ÒÀ½ÆßÇÁ
¾Ð·ÂÆØÃ¢ÅÊÅ©
°í¿Â°í¾Ð¹ëºê
ÀιöÅÍ
ÆßÇÁ¾Ç¼¼»ç¸®
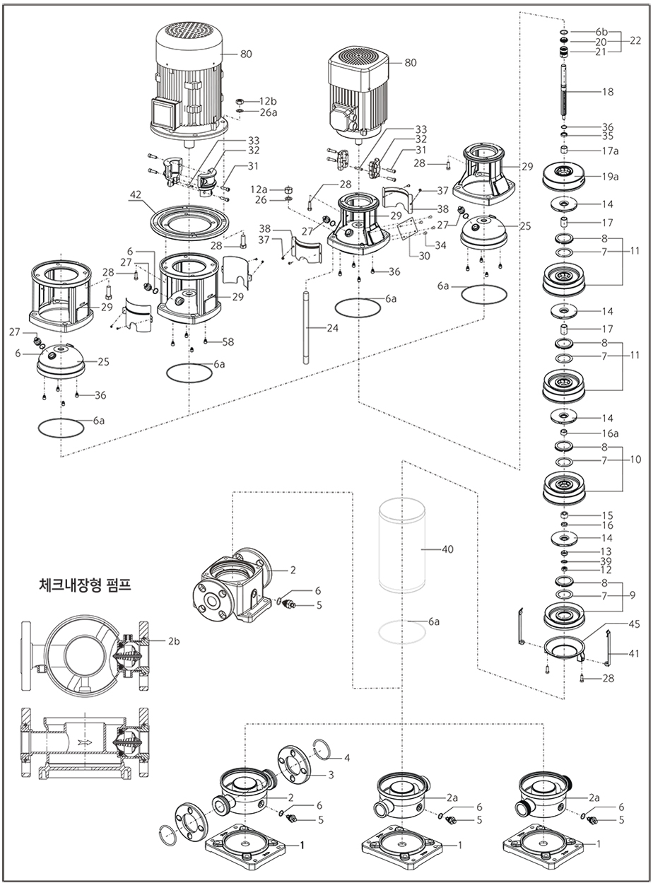
ÀÔÇü´Ù´ÜÆßÇÁ(CVF)
KMP ÀÔÇü´Ù´Ü ¿ø½ÉÆßÇÁÀÎ CV/CVF´Â ÆßÇÁÀÇ ÈíÀÔ ¹× ÅäÃⱸ°¡ µ¿Àϼ±»ó¿¡ ÀÖ°í, ±¸°æÀÌ µ¿ÀÏÇÑ ÀζóÀÎ ±¸Á¶·Î ¼³°èµÇ¾î ÀÖ¾î ¹è°ü ¹× ¼³Ä¡ ÀÛ¾÷ÀÌ ¿ëÀÌÇÕ´Ï´Ù.
KMP´Â »ç¿ëÀÚÀÇ ÇÊ¿äÀ¯·® ¹× ¾Ð·Â¿¡ µû¸¥ ´Ù¾çÇÑ »çÀÌÁîÀÇ CV(F)ÆßÇÁ¸¦ Á¦°øÇÕ´Ï´Ù.
KMP CV(F) ÆßÇÁ´Â À½¿ë¼öºÎÅÍ ÈÇй°Áú À̼ۿ¡ À̸£±â±îÁö ´Ù¾çÇÑ ¿ëµµ·Î »ç¿ëµÇ¸ç, Ưº°ÇÑ ¼º´É°ú ÀçÁúÀ» ÇÊ¿ä·Î ÇÏ´Â ±¤¹üÀ§ÇÑ ÆßÇÁ ½Ã½ºÅÛ¿¡ »ç¿ëµË´Ï´Ù.
CV(F) ÆßÇÁ´Â ¸ðÅÍ¿Í ÆßÇÁ·Î ±¸¼ºµÇ¾î ÀÖÀ¸¸ç, ¸ðÅÍÀÇ ¿ÜÇüÄ¡¼ö´Â ENÇ¥ÁØ¿¡ µû¶ó Á¦À۵Ǿú½À´Ï´Ù.
CV(F) ÆßÇÁ´Â ÃÖÀûÈµÈ Á¢¾×ºÎ, ´Ù¾çÇÑ Á¾·ùÀÇ ¿¬°á ¹è°ü°ú ¿ÜºÎ ½½¸®ºê, ±âŸ ºÎǰÀ¸·Î ±¸¼ºµÇ¸ç, ¶ÇÇÑ À¯Ã¼ÀÇ Á¾·ù¿¡ µû¸¥ ´Ù¾çÇÑ ÀçÁúÀÇ CV(F)ÆßÇÁ¸¦ Á¦°øÇÕ´Ï´Ù.
- ´Ü¸éµµ ¹× ÀçÁú
- CV(F) 1/3/5 ºÐÇØÁ¶¸³µµ
- CV(F) 1/3/5 ¸íĪ/ÀçÁú
- CV(F) 10/15/20 ºÐÇØÁ¶¸³µµ
- CV(F) 10/15/20 ¸íĪ/ÀçÁú
- CV(F) 32-90 ºÐÇØÁ¶¸³µµ
- CV(F) 32-90 ¸íĪ/ÀçÁú