Á¦Ç°¼Ò°³
Á¦Ç°¼Ò°³ > ¼öÁß¿À¹è¼öÆßÇÁ > WQK
| ¸ðµ¨ | Ãâ·Â | °íüũ±â | ÃÖ´ëÀ¯·® | ±ÇÀå¾çÁ¤ | ¾çÁ¤¹üÀ§ | |
|---|---|---|---|---|---|---|
| kW | HP | (mm) | (§©/h) | (m) | (m) | |
| WQK9.6-12-0.75T | 0.75 | 1.0 | 20 | 24 | 16 | 9~15 |
| WQK15-151.5T | 1.5 | 2.0 | 20 | 31 | 20 | 12~18 |
| WQK18-20.2.2T | 2.2 | 3.0 | 20 | 86 | 25 | 16~24 |
| WQK30-20.3.7T | 3.7 | 5.0 | 30 | 87 | 27 | 16~24 |
| WQK36-25-5.5T | 5.5 | 7.5 | 30 | 75 | 34 | 20~30 |
| WQK48-30-7.5T | 7.5 | 10 | 30 | 112 | 41 | 24~36 |
| WQK60-35-7.5T | 11 | 15 | 35 | 114 | 42 | 28~42 |
| WQK60-40-15T | 15 | 20 | 35 | 125 | 51 | 32~48 |
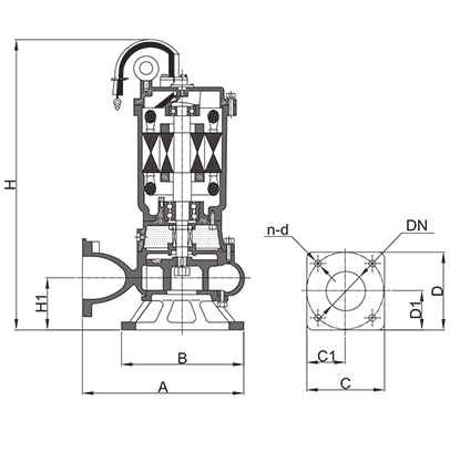
| ¸ðµ¨ | SIZE(mm) | ||||||||||
|---|---|---|---|---|---|---|---|---|---|---|---|
| H | H1 | A | L0 | DN | K | C | C1 | D | D1 | n-d | |
| WQK9.6-12-0.75T | 460 | 96 | 250 | 220 | 50 | 99 | 100 | 50 | 100 | 50 | 4-M10 |
| WQK15-151.5T | 520 | 99 | 270 | 220 | 50 | 99 | 100 | 50 | 100 | 50 | 4-M10 |
| WQK18-20.2.2T | 525 | 101 | 237 | 220 | 80 | 155.6 | 140 | 70 | 150 | 70 | 4-M12 |
| WQK30-20.3.7T | 560 | 100 | 270 | 220 | 80 | 155.6 | 140 | 70 | 150 | 70 | 4-M12 |
| WQK36-25-5.5T | 600 | 103 | 290 | 220 | 100 | 155.6 | 140 | 70 | 150 | 70 | 4-M12 |
| WQK48-30-7.5T | 650 | 103 | 290 | 220 | 100 | 155.6 | 140 | 70 | 150 | 80 | 4-M12 |
| WQK60-35-7.5T | 751 | 125 | 320 | 320 | 100 | 155 | 140 | 70 | 150 | 80 | 4-M12 |
| WQK60-40-15T | 751 | 125 | 320 | 320 | 100 | 155 | 140 | 70 | 150 | 80 | 4-M12 |
ÇÑÀÏ»ê¾÷