Á¦Ç°¼Ò°³
Á¦Ç°¼Ò°³ > ÇØ¼ö¿ëÆßÇÁ > BTP
| ¸ðµ¨ | ¸ðÅÍÃâ·Â | Phase / Àü¾Ð | |
|---|---|---|---|
| (HP) | (kW) | ||
| BTP-5500B | 7.5 | 5.5 | ȕȗ 220~380V |
| BTP-7500B | 10 | 7.5 | |
| FCP-5500B | 7.5 | 5.5 | |
| FCP-7500B | 10 | 7.5 | |
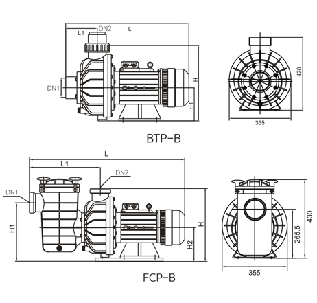
| ¸ðµ¨ | »çÀÌÁî (mm) | ||||||
|---|---|---|---|---|---|---|---|
| L | L1 | H | H1 | H2 | DN1 | DN2 | |
| BTP-5500B | 612 | 190 | 410 | 166 | - | ¥Õ 110 | ¥Õ 110 |
| BTP-7500B | 688 | 190 | 410 | 166 | - | ||
| FCP-5500B | 841 | 420 | 418 | 266 | 166 | ||
| FCP-7500B | 916 | 420 | 418 | 266 | 166 | ||
| ¸ðµ¨ | ¸ðÅÍÃâ·Â | Phase / Àü¾Ð | |
|---|---|---|---|
| (HP) | (kW) | ||
| BTP-10A | 10 | 7.5 | ȕȗ 220~380V |
| BTP-15A | 15 | 11 | |
| BTP-20A | 20 | 15 | |
| FCP-10A | 10 | 7.5 | |
| FCP-15A | 15 | 11 | |
| FCP-20A | 20 | 15 | |
| ¸ðµ¨ | »çÀÌÁî (mm) | |||||||||
|---|---|---|---|---|---|---|---|---|---|---|
| A | B | C | D | E | F | H | H1 | H2 | K | |
| BTP-10A | 800 | 140 | 298 | 150 | 269 | 216 | 415 | 145 | 14 | 12 |
| BTP-15A | 825 | 210 | 298 | 150 | 269 | 216 | 415 | 145 | 18 | 12 |
| BTP-20A | 825 | 210 | 298 | 150 | 269 | 216 | 415 | 145 | 18 | 12 |
| FCP-10A | 1145 | 140 | 298 | 508 | 483 | 216 | 415 | 295 | 546 | 12 |
| FCP-15A | 1330 | 210 | 305 | 508 | 483 | 216 | 415 | 295 | 546 | 12 |
| FCP-20A | 1330 | 210 | 205 | 508 | 483 | 216 | 415 | 295 | 546 | 12 |
ÇÑÀÏ»ê¾÷